

La mini peseuse associative convient pour peser des granulés de petit poids tels que des comprimés de médecine chinoise, du thé, des grains de café, des grains de chocolat, des raisins de Corinthe et d'autres collations, du matériel, des particules de plastique et d'autres matériaux particulaires, pesage quantitatif.

1. Cellule de charge spéciale de haute précision et de haute qualité.
2. La fonction de récupération du programme peut réduire les échecs de fonctionnement et prendre en charge l'étalonnage du poids multi-segments.
3. L'amplitude linéaire peut être ajustée indépendamment.
4. De nombreuses langues disponibles pour les marchés mondiaux.
5. La capacité de 100 programmes peut répondre à diverses exigences de pesage et le menu d'aide convivial contribue à une utilisation facile.
1. Nouvelle conception de la machine - série II , aspect élégant.
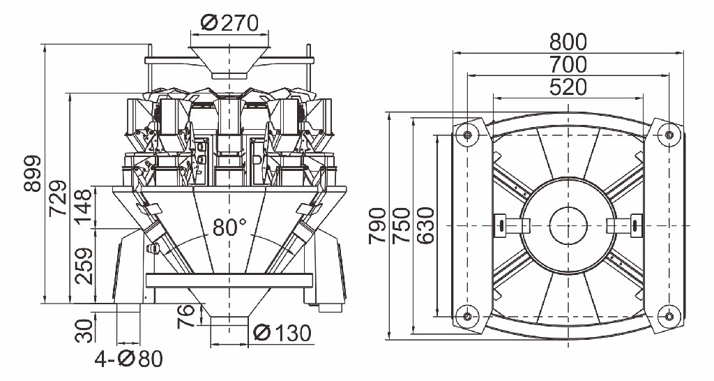
2. Conception mobile facile pour l'entonnoir d'alimentation et l'entonnoir de décharge, ce qui est plus pratique pour le nettoyer.
3. Utilisez le type de pesage pour la détection du matériau afin de contrôler précisément le temps d'alimentation et l'épaisseur du matériau et d'assurer la précision du pesage.
4. Plateau d'alimentation en V spécialement conçu pour les petits poids cibles afin d'assurer une alimentation et une précision de pesage uniformes.
5. Le nouveau vibrateur linéaire double parallèle contribue à des vibrations plus petites, l'actionneur à entraînement latéral rend la lecture plus précise et la précision de pesage plus élevée.
| Nom | Mini peseuse associative 1st G 10heads II Series | 1ère mini peseuse associative série G 14heads |
| Modèle | JW-A10 | JW-A14 |
| Identifier le code | AS10-1-17 | AS14-1-17 |
| Gamme de pesage | 2-200g | 2-200g |
| Précision | X (0,5) | X (0,5) |
| Vitesse maximale | 60P / M | 120P / M |
| Volume de la trémie | 0,5 L | |
| Panneau de configuration | Écran tactile de 7 pouces | |
| Options | Plaque à fossettes / trémie de synchronisation / imprimante / dispositif de rejet | |
| Système de conduite | Moteur pas à pas | |
| Puissance requise | 220V / 800W / 50 / 60Hz / 8A | 220V / 1100W / 50 / 60Hz / 10A |
| Dimension d'emballage (mm) | 1160 (L) x900 (L) x900 (H) | 1160 (L) x900 (L) x900 (H) |
| Poids brut | 210 kg | 230 kg |



